Представляем стандартные решения (блоки гидравлических клапанов) Sun Hydraulics для зарядки гидроаккумулятора и разгрузки насоса.

28 октября 2021

Представляем стандартные решения (блоки гидравлических клапанов) Sun Hydraulics для зарядки гидроаккумулятора и разгрузки насоса.

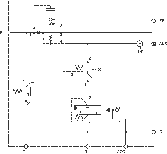
  • Блок зарядки гидроаккумулятора и разгрузки насоса XQCE

Гидравлические блоки клапанов купить в России

Блок клапанов данной серии предназначен для зарядки гидроаккумулятора с помощью насоса с постоянным расходом. Когда давление достигает настройки клапана, насос разгружается. При падении давления до значения, определяемого фиксированным пилотным соотношением, насос снова включается для зарядки гидроаккумулятора. Вентилируемый предохранительный клапан служит для разгрузки насоса в качестве главной ступени, а также для сброса избыточного давления в системе.

  • Блок зарядки гидроаккумулятора и разгрузки насоса XQCF

Блоки гидроклапанов купить в России

Блок клапанов данной серии предназначен для зарядки гидроаккумулятора с помощью насоса с постоянным расходом. Когда давление достигает настройки клапана, насос разгружается. При падении давления до значения, определяемого фиксированным пилотным соотношением, насос снова включается для зарядки гидроаккумулятора. Вентилируемый предохранительный клапан служит для разгрузки насоса в качестве главной ступени, а также для сброса избыточного давления в системе. Данный блок клапанов имеет дополнительную функцию: простой контур, делающий разгрузку насоса более плавной.

  • Блок зарядки гидроаккумулятора и разгрузки насоса XQCG

Проектирование и производство блоков клапанов для гидравлики

Блок клапанов данной серии предназначен для зарядки гидроаккумулятора с помощью насоса с постоянным расходом. Когда давление достигает настройки клапана, насос разгружается. При падении давления до значения, определяемого фиксированным пилотным соотношением, насос снова включается для зарядки гидроаккумулятора. Вентилируемый предохранительный клапан служит для разгрузки насоса в качестве главной ступени, а также для сброса избыточного давления в системе. Данный блок клапанов имеет две дополнительных функции: простой контур, делающий разгрузку насоса более плавной, а также клапан, разряжающий гидроаккумулятор при отключении питания насоса.

  • Блок зарядки гидроаккумулятора и разгрузки насоса XQCH

Блок гидравлических клапанов купить

Блок клапанов данной серии предназначен для зарядки гидроаккумулятора с помощью насоса с постоянным расходом. Когда давление достигает настройки клапана, насос разгружается. При падении давления до значения, определяемого фиксированным пилотным соотношением, насос снова включается для зарядки гидроаккумулятора. Вентилируемый предохранительный клапан служит для разгрузки насоса в качестве главной ступени, а также для сброса избыточного давления в системе. Данный блок клапанов имеет две дополнительных функции: простой контур, делающий разгрузку насоса более плавной, а также контур, обеспечивающий обратную связь по давлению в гидроаккумуляторе.

  • Блок зарядки гидроаккумулятора и разгрузки насоса с регулятором расхода XQCJ

Производство блоков гидроклапанов в России

Блок клапанов данной серии предназначен для зарядки гидроаккумулятора с помощью насоса с постоянным расходом. В его состав входит вентилируемый дросселирующий распределитель. Когда давление достигает настройки клапана, дросселирующий распределитель вентилируется, и весь расход насоса поступает в систему. При падении давления до значения, определяемого фиксированным пилотным соотношением, основной поток используется для зарядки гидроаккумулятора. В гидроаккумулятор направляется только основной поток, при этом оставшаяся часть расхода насоса продолжает поступать в систему. Данный блок клапанов имеет две дополнительных функции: простой контур, делающий разгрузку насоса более плавной, а также предохранительный клапан системы.

  • Блок зарядки гидроаккумулятора и разгрузки насоса со стравливанием воздуха XQCK

Производство блоков гидравлики в РФ

Блок клапанов данной серии предназначен для зарядки гидроаккумулятора с помощью насоса с постоянным расходом. В его состав входит вентилируемый дросселирующий распределитель. Когда давление достигает настройки клапана, дросселирующий распределитель вентилируется, и весь расход насоса поступает в систему. При падении давления до значения, определяемого фиксированным пилотным соотношением, основной поток используется для зарядки гидроаккумулятора. В гидроаккумулятор направляется только основной поток, при этом оставшаяся часть расхода насоса продолжает поступать в систему. Данный блок клапанов имеет три дополнительных функции: простой контур, делающий разгрузку насоса более плавной, предохранительный клапан системы, а также клапан, разряжающий гидроаккумулятор при отключении питания насоса.

  • Блок зарядки гидроаккумулятора и разгрузки насоса XQEF

Sun Hydraulics - официальное представительство в России

Блок клапанов данной серии предназначен для зарядки гидроаккумулятора с помощью насоса с постоянным расходом. Когда давление достигает настройки клапана, насос разгружается. При падении давления до значения, определяемого фиксированным пилотным соотношением, насос снова включается для зарядки гидроаккумулятора. Вентилируемый предохранительный клапан служит для разгрузки насоса в качестве главной ступени, а также для сброса избыточного давления в системе. Данный блок клапанов имеет дополнительную функцию: простой контур, делающий разгрузку насоса более плавной.

  • Блок зарядки гидроаккумулятора и разгрузки насоса с перепуском XQEG

Sun Hydraulics купить в России

Блок клапанов данной серии предназначен для зарядки гидроаккумулятора с помощью насоса с постоянным расходом. Когда давление достигает настройки клапана, насос разгружается. При падении давления до значения, определяемого фиксированным пилотным соотношением, насос снова включается для зарядки гидроаккумулятора. Вентилируемый предохранительный клапан служит для разгрузки насоса в качестве главной ступени, а также для сброса избыточного давления в системе. Данный блок клапанов имеет две дополнительных функции: простой контур, делающий разгрузку насоса более плавной, а также контур, обеспечивающий обратную связь по давлению в гидроаккумуляторе.

  • Блок зарядки гидроаккумулятора и разгрузки насоса XQEH

Sun Hydraulics - официальный дистрибьютор в России

Блок клапанов данной серии предназначен для зарядки гидроаккумулятора с помощью насоса с постоянным расходом. Когда давление достигает настройки клапана, насос разгружается. При падении давления до значения, определяемого фиксированным пилотным соотношением, насос снова включается для зарядки гидроаккумулятора. Вентилируемый предохранительный клапан служит для разгрузки насоса в качестве главной ступени, а также для сброса избыточного давления в системе. Данный блок клапанов имеет две дополнительных функции: простой контур, делающий разгрузку насоса более плавной, а также контур, обеспечивающий обратную связь по давлению в гидроаккумуляторе.

  • Блок зарядки гидроаккумулятора и разгрузки насоса с регулятором расхода XQEJ

Sun Hydraulics клапаны ввертные

Блок клапанов данной серии предназначен для зарядки гидроаккумулятора с помощью насоса с постоянным расходом. В его состав входит вентилируемый дросселирующий распределитель. Когда давление достигает настройки клапана, дросселирующий распределитель вентилируется, и весь расход насоса поступает в систему. При падении давления до значения, определяемого фиксированным пилотным соотношением, основной поток используется для зарядки гидроаккумулятора. В гидроаккумулятор направляется только основной поток, при этом оставшаяся часть расхода насоса продолжает поступать в систему. Данный блок клапанов имеет две дополнительных функции: простой контур, делающий разгрузку насоса более плавной, а также предохранительный клапан системы.

  • Блок зарядки гидроаккумулятора и разгрузки насоса XQGE

Sun Hydraulics гидравлические клапаны ввертные

Блок клапанов данной серии предназначен для зарядки гидроаккумулятора с помощью насоса с постоянным расходом. Когда давление достигает настройки клапана, насос разгружается. При падении давления до значения, определяемого фиксированным пилотным соотношением, насос снова включается для зарядки гидроаккумулятора. Вентилируемый предохранительный клапан служит для разгрузки насоса в качестве главной ступени, а также для сброса избыточного давления в системе.

  • Блок зарядки гидроаккумулятора и разгрузки насоса XQGF

Sun Hydraulics блоки клапанов

Блок клапанов данной серии предназначен для зарядки гидроаккумулятора с помощью насоса с постоянным расходом. Когда давление достигает настройки клапана, насос разгружается. При падении давления до значения, определяемого фиксированным пилотным соотношением, насос снова включается для зарядки гидроаккумулятора. Вентилируемый предохранительный клапан служит для разгрузки насоса в качестве главной ступени, а также для сброса избыточного давления в системе. Данный блок клапанов имеет дополнительную функцию: простой контур, делающий разгрузку насоса более плавной.

  • Блок зарядки гидроаккумулятора и разгрузки насоса XQIF

Sun Hydraulics гидроклапан купить в РФ

Блок клапанов данной серии предназначен для зарядки гидроаккумулятора с помощью насоса с постоянным расходом. Когда давление достигает настройки клапана, насос разгружается. При падении давления до значения, определяемого фиксированным пилотным соотношением, насос снова включается для зарядки гидроаккумулятора. Вентилируемый предохранительный клапан служит для разгрузки насоса в качестве главной ступени, а также для сброса избыточного давления в системе. Данный блок клапанов имеет дополнительную функцию: простой контур, делающий разгрузку насоса более плавной.

  • Блок зарядки гидроаккумулятора и разгрузки насоса с регулятором расхода XQIL

Sun Hydraulics клапаны картриджные

Блок клапанов данной серии предназначен для зарядки гидроаккумулятора с помощью насоса с постоянным расходом. В его состав входит вентилируемый дросселирующий распределитель. Когда давление достигает настройки клапана, дросселирующий распределитель вентилируется, и весь расход насоса поступает в систему. При падении давления до значения, определяемого фиксированным пилотным соотношением, основной поток используется для зарядки гидроаккумулятора. В гидроаккумулятор направляется только основной поток, при этом оставшаяся часть расхода насоса продолжает поступать в систему. Данный блок клапанов имеет три дополнительных функции: простой контур, делающий разгрузку насоса более плавной, предохранительный клапан системы, а также а также контур, обеспечивающий обратную связь по давлению в гидроаккумуляторе.

Возврат к списку