Практические рекомендации Sun Hydraulics. Уравновешивающие клапаны и обратные клапаны с пилотом на открытие.
Конструктивные принципы, функции и характеристики
Компания Sun производит широкий спектр клапанов удержания нагрузки и управления движением, подходящих для множества специфических режимов работы. Некоторые аспекты применения клапанов:
- Клапаны могут быть установлены как внутри цилиндров или гидромоторов, так и на цилиндрах (гидромоторах) снаружи либо в непосредственной близости от них. Они обеспечивают защиту при разрыве рукава, а также позволяют повысить стабильность работы системы;
- Некоторые системы имеют значительную инерционность, обусловленную большой перемещаемой массой. Кинетическая энергия, возникающая вследствие движения, должна восприниматься системой максимально плавно;
- Некоторые узлы механизмов способны аккумулировать энергию (например, пружины) и отличаются высокой эластичностью. Это обусловлено наличием упругих элементов, колесных платформ с резиновыми шинами, а также длинных рукавов, действующих аналогично гидроаккумуляторам. Эта накопленная энергия должна передаваться системе очень аккуратно;
- Механизмы с подрессоренной массой являются естественными источниками колебаний с широким диапазоном собственных частот и могут стать причиной возникновения непредусмотренных колебаний в системе.
Представленная ниже информация основана на практическом опыте и предназначена для облегчения подбора клапанов для некоторых систем. Не исключено, что для описанных случаев могут подойти и другие клапаны помимо рекомендованных. Также возможно, что ни одна из моделей клапанов Sun, представленных в каталогах или на сайте, не будет являться приемлемой. Компания Sun предупреждает о возможных сложностях при подборе клапанов в следующих случаях:
- Все трех- и четырехлинейные клапаны удержания нагрузки и управления движением, представленные в каталогах, являются функционально взаимозаменяемыми при условии совпадения типоразмеров (аналогичные посадочные седла и направления движения рабочей жидкости). Это позволяет опытным путем оптимизировать систему для достижения необходимых параметров работы;
- Помимо клапанов, описанных на сайте или в каталогах, компания Sun производит и хранит на складе дополнительные типы взаимозаменяемых клапанов, обладающих различными полезными функциями;
- Большинство клапанов (стандартно либо в качестве опции) оснащаются винтами аварийного ручного опускания нагрузки;
- Неисправные клапаны могут быть легко демонтированы с целью замены, осмотра или очистки без изменения настроек. При извлечении клапанов необходимо убедиться, что исполнительное звено механически поддерживается в неподвижном положении, а клапаны не находятся под давлением. Помните, что накопленная энергия может представлять большую опасность;
- Клапаны Sun имеют большой срок службы, однако невозможно исключить естественный износ посадочных поверхностей, а ударная нагрузка только ускоряет этот процесс. Загрязнение масла и наличие в нем воды может стать причиной эрозии седел. При аккуратной эксплуатации системы происходит плавная притирка, продлевающая срок службы клапанов. Наличие в масле твердых частиц может повлечь за собой заклинивание клапана в открытом или закрытом положении.
ПРИМЕЧАНИЕ: Техническое обслуживание оборудования с гидравлическим приводом должно осуществляться только квалифицированными специалистами. При этом важно наличие качественных руководств по обслуживанию. Также необходимо всегда выполнять соответствующие предписания и требования предупреждающих табличек, имеющихся на оборудовании.
Компания Sun производит два базовых типа клапанов удержания нагрузки, каждых из которых имеет несколько различных исполнений.
Обратные клапаны с пилотом на открытие
Трехлинейные обратные клапаны с пилотом на открытие — CK**
Трехлинейные обратные клапаны с пилотом на открытие — это двухпозиционные устройства без функции регулирования, обеспечивающие свободное прохождение потока из линии 2 (вход) в линию 1 (нагрузка) с блокировкой обратного потока. Пропуск рабочей жидкости в обратном направлении (из линии 1 в линию 2) осуществляется путем подачи в линию 3 (пилотная линия) пилотного давления, прямо пропорционального давлению нагрузки. При этом пилотный поршень воздействует на тарелку клапана, открывая его. Обратные клапаны с пилотом на открытие не предназначены для регулирования параметров потока или скорости движения исполнительного механизма.
Эксплуатационные характеристики обратных клапанов с пилотом на открытие:
- Рабочее давление: до 350 бар;
- Номинальная пропускная способность: до 460 л/мин;
- Пилотное соотношение: 3:1;
- Возможность оснащения винтом аварийного ручного опускания в качестве опции (в случае невозможности подачи пилотного давления для открытия клапана);
- Возможность оснащения обратного клапана пружинами различной жесткости: минимальное рекомендованное давление сопротивления для предотвращения повреждения при ударной нагрузке — 1 бар, для минимизации кавитации —0,3 бар;
- В конструкции клапана предусмотрены минимальные перетечки на пилотном поршне (из линии 2 (вход) в линию 3 (пилотная линия) с целью стравливания воздуха через пилотную линию. В качестве опции возможно изготовление пилотных поршней с уплотнением, что необходимо для контуров, в которых перетечки между линиями не допускаются.
Четырехлинейные обратные клапаны с пилотом на открытие, с блокировкой открытия — CV*V
Пилотное давление, требуемое для открытия четырехлинейных обратных клапанов с линией блокировки и пилотом на открытие, не зависит от давления в линии 2. В данных клапанах также имеется пилотная линия 3 с дополнительной линией 4 (линия блокировки). Все клапаны оснащаются поршнем с уплотнением для предотвращения утечек из линии 3 в линию 4 либо наоборот (трехлинейные клапаны со связью с атмосферой (CK*V) подходят для установки в трехлинейные седла, в случае если противодавление вызывает проблемы с пилотным управлением).
Уравновешивающие клапаны
Трехлинейные уравновешивающие клапаны — CB**
Трехлинейные уравновешивающие клапаны (с пилотом на открытие) — это устройства регулирования потока, обеспечивающие свободное прохождение потока из линии 2 (вход) в линию 1 (нагрузка) с блокировкой обратного потока. Пропуск рабочей жидкости в обратном направлении (из линии 1 в линию 2) обеспечивается путем подачи в линию 3 (пилотная линия) пилотного давления, обратно пропорционального давлению нагрузки. Регулировка потока осуществляется и давлением нагрузки, и пилотным давлением, образуя «обратное» пилотное соотношение; при низких нагрузках для открытия уравновешивающего клапана требуется большее пилотное давление, а при высоких — меньшее, что обеспечивает улучшение стабильности системы и точное управление движением исполнительного механизма.
Уравновешивающий клапан управляет движением путем обеспечения постоянной подачи избыточного давления нагрузки на направляющий клапан, даже в случае помогающей нагрузки. Уравновешивающие клапаны Sun (с пилотом на открытие) имеют минимальные перетечки (их величина стремится к нулю). Отсутствие царапин на посадочных поверхностях и облитерация (даже при «чистом» масле) обеспечивают полную герметичность уплотнения в течение нескольких минут после закрытия клапана. Управление замедлением движущейся нагрузки осуществляется путем подбора подходящих направляющих клапанов и/или разработкой соответствующей схемы. Клапаны данной серии также выполняют разгрузочную функцию путем перепуска потока из линии 1 (нагрузка) в линию 2 (вход), что обеспечивает защиту от превышения допустимого давления, обусловленного нагрузкой и/или температурным расширением рабочей жидкости. Трехлинейные уравновешивающие клапаны в сочетании с обратными клапанами подходят для уравновешивания непрерывной фиксированной нагрузки, при этом настройка клапана должна в 1,3 раза превышать давление нагрузки, а линия 3 в данной схеме не используется.
Эксплуатационные характеристики уравновешивающих клапанов:
- Низкая величина перетечек в закрытом положении. Максимальные перетечки: 5 капель в минуту (0,4 см3 /мин) при давлении закрытия, равном 85% от давления настройки; Минимальный гистерезис разгрузочного клапана при широком диапазоне расходов;
- Низкая чувствительность к загрязнению;
- Рабочее давление: до 350 бар;
- Пропускная способность: до 460 л/мин;
- Возможность оснащения винтом аварийного ручного опускания в качестве опции (в случае невозможности подачи пилотного давления для открытия);
- Возможность оснащения пружинами различной жесткости: минимальное рекомендованное давление сопротивления для предотвращения повреждения при ударной нагрузке — 1,7 бар, для минимизации кавитации — 0,3 бар;
- В конструкции клапана предусмотрены минимальные перетечки на пилотном поршне с целью стравливания воздуха через пилотную линию и повышения стабильности работы системы. Некоторые модели оснащаются пилотными поршнями с уплотнением в стандартном исполнении.
Четырехлинейные уравновешивающие клапаны с блокировкой открытия, с пилотом на открытие — CW**
В стандартных уравновешивающих клапанах без блокировки открытия противодавление обуславливает необходимость повышения давления настройки на величину, равную: (1 + пилотное соотношение) х противодавление.
Это негативно сказывается на стабильности работы клапана в системах со значительным противодавлением в линии 2 (вход).
Четырехлинейные уравновешивающие клапаны Sun оснащены сливной линией (линия 4), которая обеспечивает отсутствие чувствительности к противодавлению в линии 2. Эта функция весьма полезна при применении клапанов в контурах рекуперации (регенерации), при использовании с направляющими клапанами регулировки на выходе, а также с пропорциональными и сервоклапанами.
Данные клапаны производятся с широким рядом пилотных соотношений, а их основные характеристики аналогичны трехлинейным клапанам. Максимальная настройка клапана (на одной модели) составляет 420 бар. Трехлинейные клапаны со связью с атмосферой (CA**) подходят для установки в трехлинейные седла, в случае если непредусмотренное противодавление вызывает проблемы в работе клапана.



*Данные гидравлические схемы приведены исключительно для описания принципа работы клапанов в системе и могут отличаться от реальных.
Обратные клапаны с пилотом на открытие. Указания по применению
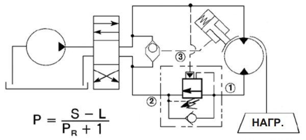
Давление, необходимое для сброса нагрузки
ПРИМЕЧАНИЕ: Приведенные ниже расчеты являются упрощенными. Противодавление в линии 2 и давление открытия обратного клапана в расчетах не учитывались.
Параметры, используемые в расчетах:

1) Обратный клапан с пилотным управлением на поршневой полости цилиндра, нагрузка задвигает шток.

2) Обратный клапан с пилотным управлением на штоковой полости цилиндра, нагрузка выдвигает шток.

ПРИМЕЧАНИЕ: Цилиндры с большим соотношением площадей поршня и штока (2:1) с обратными клапанами с пилотным управлением, нагрузка в которых направлена на выдвижение штока, подвержены самоблокировке. Если соотношение площадей цилиндра близко к пилотному соотношению обратного клапана, значение в знаменателе в обоих уравнениях стремится к нулю. Соответственно, пилотное давление, необходимое для открытия клапана, стремится к бесконечности. В результате давление в штоковой полости цилиндра возрастает быстрее, чем достигается достаточное для открытия обратного клапана пилотное давление. Это может привести к превышению допустимого рабочего давления в цилиндре. В данном случае следует рассмотреть возможность применения уравновешивающего клапана с пилотным соотношением 10:1.
3) Обратный клапан с пилотным управлением на цилиндре с равными рабочими площадями.

- Рекомендуется устанавливать клапан вблизи от исполнительного механизма с целью минимизации риска повреждения гидравлической линии. Клапан может быть установлен непосредственно на исполнительном механизме либо с использованием монтажных корпусов, производимых компанией Sun и присоединяемых к установочной поверхности цилиндра или гидромотора;
- Обратный клапан с пилотным управлением не предназначен для регулирования параметров потока и не подходит для плавной регулировки движения и для случая действия помогающей нагрузки (данный тип относится к клапанам удержания нагрузки, но не к клапанам снижения нагрузки. Попытка снижения нагрузки может стать причиной «защемления» механизма);
- Пилотное давление обратного клапана прямо пропорционально давлению нагрузки;
- Противодавление в линии 2 непосредственно воздействует на пилотное давление в линии 3. Если линия 2 находится под давлением (например, в контурах рекуперации), то рекомендуется применение четырехлинейных обратных клапанов с пилотом на открытие и линией блокировки открытия;
- Линия блокировки четырехлинейных обратных клапанов с пилотным управлением должна быть подведена в контур непосредственно после дросселя, вызывающего противодавление;
- В трехлинейных клапанах со связью с атмосферой (CK*V) пилотная камера соединяется с атмосферой через соответствующие отверстие в корпусе. Для предотвращения попадания в камеру грязи и влаги на отверстие устанавливается кольцо круглого сечения. Величина внешних утечек составляет одну каплю за 4000 рабочих циклов. Данный клапан устанавливается в стандартное трехлинейное седло и используется в случае необходимости устранения чувствительности обратного клапана к непредусмотренному противодавлению в существующих системах. Однако, для вновь проектируемых систем предпочтительно применение клапана четырехлинейного исполнения;
- При использовании цилиндров с большим соотношением площади поршня к площади штока и обратных клапанов с пилотным управлением на штоковой полости для удержания нагрузки необходимо проявлять осторожность. В некоторых случаях возможна "блокировка нагрузки". Изучите примечания и формулы в левой колонке на данной странице;
- Обратные клапаны с пилотным управлением характеризуются минимальными перетечками. Для новых клапанов величина перетечек составляет одну каплю в минуту или менее. Эксплуатация системы под воздействием высоких ударных нагрузок и загрязненное масло вызывают износ седла и увеличение перетечек. При необходимости в практически полной герметичности в течение всего срока службы системы может требоваться периодическая замена обратных клапанов с пилотным управлением.
Уравновешивающие клапаны. Указания по применению
Давление, необходимое для снижения нагрузки
ПРИМЕЧАНИЕ: Приведенные ниже расчеты являются упрощенными. Противодавление в линии 2 в расчетах не учитывалось.
ПРИМЕЧАНИЕ: Давление в линии 2, добавляемое к настройке, рассчитывается по формуле: (1 + пилотное соотношение) х противодавление. Пример: При использовании уравновешивающего клапана с пилотным соотношением 3:1 и при противодавлении 14 бар настройку следует увеличить на 56 бар.
Параметры, используемые в расчетах:

1) Уравновешивающий клапан на поршневой полости цилиндра, нагрузка задвигает шток.

2) Уравновешивающий клапан на штоковой полости цилиндра, нагрузка выдвигает шток.

3) Уравновешивающий клапан на гидромоторе либо на цилиндре с равными рабочими площадями при действии помогающей нагрузки.

- Как правило, низкое пилотное соотношение обеспечивает более точное управление движением исполнительного механизма и лучшую стабильность работы, особенно в системах с высокими инерционными нагрузками;
- Как правило, высокие значения пилотного соотношения обеспечивают надлежащее управление движением гидромотора. Однако для блокировки текущего положения исполнительного механизма следует всегда использовать пружинный тормоз, что обусловлено перетечками в гидромоторе;
- Высокие значения пилотного соотношения позволяют увеличить эффективность гидросистемы (снизить выделение тепла), но это достигается путем снижения стабильности и качества управления движением;
- Как правило, уравновешивающие клапаны не следует применять в замкнутых гидростатических системах, поскольку существует риск перегревания;
- Уравновешивающие клапаны не являются устройствами низкого давления. Невозможно добиться экономии энергии путем применения клапанов большего типоразмера. В большинстве случаев рабочее давление гидросистемы превышает 50 бар;
- Рекомендуется устанавливать клапан вблизи от исполнительного механизма с целью минимизации риска повреждения гидравлической линии. Клапан может быть установлен непосредственно на исполнительном механизме либо с использованием монтажных корпусов, производимых компанией Sun и присоединяемых к установочной поверхности цилиндра или гидромотора;
- Давление настройки уравновешивающего клапана должно превышать давление нагрузки не менее чем в 1,3 раза (при давлении настройки менее 140 бар — в 1,5 раза);
- Настройка уравновешивающих клапанов Sun: помните, что при вращении регулировочного винта по часовой стрелке давление настройки уменьшается, при вращении против часовой стрелки — увеличивается (регулировочный винт следует рассматривать в качестве инструмента ручной подстройки клапана);
- Применение клапана несколько меньшего типоразмера вместо клапана большего типоразмера позволяет создать падение давления;
- Для достижения лучшей стабильности работы системы всегда используйте клапан с минимально возможным пилотным соотношением. Меньшее пилотное соотношение обеспечивает более точное управление исполнительным звеном;
- Применение клапанов с пилотным соотношением 10:1 следует ограничить контурами с гидромотором либо контурами, в которых существует необходимость установки обратного клапана с пилотными управлением, имеющего аналогичное пилотное соотношение;
- Уравновешивающие клапаны закрываются при давлении, составляющем 85% от давления открытия;
- При проведении испытаний на уравновешивающих клапанах допускаются перетечки не более 5 капель в минуту в закрытом положении. При настройке клапана, в 1,3 раза превышающей давление нагрузки, на него не поступает давление, большее чем 77% от настройки (1/1,3), поэтому данные клапаны могут рассматриваться как полностью герметичные (с нулевыми перетечками).
- Противодавление непосредственно воздействует на пилотное давление. Давление, добавляемое к настройке, рассчитывается по формуле: (1 + пилотное соотношение) х противодавление (Для клапанов без линии блокировки (при использовании клапана с пилотным соотношением 3:1 настройка будет равна противодавлению, умноженному на 4);
- Несмотря на то, что уравновешивающие клапаны имеют функцию разгрузки системы, они не являются "хорошими" предохранительными клапанами (применение их в качестве предохранительных клапанов может стать причиной снижения стабильности работы, усиления шума и ухудшения надежности при высокой частоте рабочих циклов);
- В большинстве случаев стабильность системы может быть улучшена путем установки гидроаккумулятора в пилотной линии (благодаря более точному поддержанию пилотного давления);
- Стабильность системы может быть во всех случаях улучшена путем установки ограничительного дросселирующего распределителя с регулированием на выходе между цилиндром или мотором и уравновешивающим клапаном (благодаря снижению расхода, необходимого для уравновешивающего клапана);
- Уравновешивающие клапаны с блокировкой открытия характеризуются большой чувствительностью, аналогичной клапанам последовательности прямого действия (небольшие изменения пилотного давления влекут за собой значительные изменения расхода), по сравнению с клапанами без линии блокировки. Поэтому применение уравновешивающих клапанов с блокировкой открытия приводит к снижению стабильности системы. Переменное противодавление от других элементов системы, таких как клапаны с пропорциональным управлением, должно решить эту проблему (противодавление является главной причиной применения клапанов с блокировкой открытия).
Перед установкой в привод уравновешивающие клапаны должны быть обязательно отрегулированы. Это диктуется не только соображениями безопасности. Главная причина состоит в том, что после установки точное выполнение настройки весьма затруднительно. Однако в редких случаях может понадобиться настройка клапана уже после его установки. Ниже описан метод настройки клапана, применяемый в аварийных ситуациях. Однако настоятельно рекомендуется, чтобы уравновешивающие клапаны были настроены на заводе-производителе специалистами компании Sun.
Аварийная настройка уравновешивающих клапанов, установленных в привод, путем визуального контроля максимального давления нагрузки с помощью манометра.
- Соблюдайте все требования безопасности, связанные с эксплуатацией привода и взаимодействующего с ним оборудования.
- Выполнять работу следует только при наличии надлежащей квалификации для работы с гидрооборудованием и исключении возможности непредусмотренного перемещения элементов системы.
- Предусмотрите все возможные опасности и убедитесь, что никакие движения механизма не смогут нанести травму. Также обратите внимание на расположение уравновешивающего клапана по отношению к возможным движениям исполнительного звена.
- Для увеличения давления настройки вращайте регулировочный винт против часовой стрелки. При этом точность настройки не будет высокой, что обусловлено внутренними взаимодействиями в контуре и самим методом настройки.
- При отсутствии манометра установите его в систему с целью контроля давления.
- Сначала отрегулируйте клапана на стандартную заводскую настройку (данная информация представлена на стр. 8 данного документа, а также на сайте компании Sun).
- Если ваш клапан относится к исполнению «С», «J» (140-350 бар) либо «G» (140-350 бар) перед выполнением настройки поверните регулировочный винт до конца против часовой стрелки.
- Установите систему в положение с максимальной нагрузкой, которая будет восприниматься данным уравновешивающим клапаном (если привод обеспечивает угловое перемещение исполнительного звена, убедитесь, что последнее находится в положении с максимальной нагрузкой). Плавно (с минимальным расходом) увеличивайте нагрузку.
- Следите за показаниями манометра и запишите максимальное давление, зафиксированное при увеличении нагрузки.
- Используя информацию об изменении давления, соотносимого с количеством оборотов регулировочного винта (см. стр. 8), определите шаг давления на один оборот винта для вашей модели клапана. Умножьте имеющееся давление на 1,3, затем отрегулируйте давление настройки клапана на рассчитанное значение путем вращения регулировочного винта против часовой стрелки (для увеличения давления) или по часовой стрелке (для уменьшения давления).
(Примечание: вы не будете иметь возможность отследить итоговое давление настройки по показаниям манометра, поскольку оно будет выше максимального давления нагрузки.)
Пример настройки клапана:
Модель клапана: CBCA-LHN
Диапазон регулировки: 70-280 бар
Заводская настройка: 207 бар (если на клапане не указано иное)
- Максимальное давление нагрузки по показаниям манометра при плавном увеличении нагрузки: 179 бар;
- Полученное значение, умноженное на 1,3: 233 бар. Данное давление является рекомендованной настройкой уравновешивающего клапана.
- Согласно таблице на стр. 8, шаг давления клапана модели CBCA-LHN на один оборот винта составляет 89 бар. Вычитаем давление заводской настройки клапана из максимального давления по показаниям манометра, умноженного на 1,3, а получившуюся разницу делим на шаг давления на один оборот винта:
(233 - 207)/89 = + 0,3 об. (против часовой стрелки)
(Примечание: если максимальное давление нагрузки ниже заводской настройки клапана, при расчете получится отрицательное количество оборотов винта, что означает вращение по часовой стрелке). Также, если ваш клапан имеет одно из исполнений, описанных в п. 7, представленном выше, и вы сбросили заводскую настройку, шаг давления на один оборот винта (в таблице на стр. 8) необходимо прибавить к заводской настройке. К примеру, расчет для клапана модели CBCG-LJN будет следующий: 210 бар + 120 бар = 330 бар.)
- Отрегулируйте уравновешивающий клапан согласно приведенным выше расчетам, ослабив стопорную гайку и повернув регулировочный винт (приблизительно на 1/3 оборота или 2 грани под ключ) против часовой стрелки согласно примеру, описанному выше.
- Затяните стопорную гайку с требуемым моментом. Следите за тем, чтобы регулировочный винт не проворачивался.
УРАВНОВЕШИВАЮЩИЕ КЛАПАНЫ SUN

1 Стравливание воздуха через пилотную линию.
2 Пилотный поршень с уплотнением.
3 Пилотная линия с ограниченными перетечками, без уплотнения.
* Некоторые модели производятся также с фиксированной настройкой: например, CBBL-X**
Характеристика чувствительности пилотного управления: описательный термин, предназначенный для классификации клапанов по чувствительности к изменениям пилотного давления: ограничительный (низкая чувствительность и высокая стабильность, характеризуется небольшими изменениями расхода при значительных изменениях пилотного давления), полуограничительный, стандартный (наибольшая чувствительность).
Чувствительность клапана по расходу: следует всегда использовать клапан с диапазоном расходов (пропускной способности), соответствующим вашей задаче. Клапан с завышенной пропускной способностью создает компромисс между чувствительностью и стабильностью системы. Номинальный расход через клапан обозначен в таблице жирным шрифтом (пример: 20 л/мин) над каждым типоразмером.
Стабильность системы (механизма): наличие или отсутствие низкочастотных колебаний, вызванных взаимодействием инерционных/подпружиненных компонентов системы. При наличии проблем, связанных со стабильностью работы системы, замените клапан на аналог с более низким пилотным соотношением или чувствительностью либо сочетанием этих параметров.
Коэффициент мультипликации противодавления: характеризует эффект увеличения противодавления в зависимости от давления разгрузки. Предпочтительно использовать клапаны с более низкими значениями данного коэффициента.
Представленная выше информация по подбору клапана содержит только порядок действий и не может исключать всестороннее тестирование системы.
ТАБЛИЦА ЗАВИСИМОСТИ ИЗМЕНЕНИЯ ДАВЛЕНИЯ УРАВНОВЕШИВАЮЩИХ КЛАПАНОВ SUN ОТ КОЛИЧЕСТВА ОБОРОТОВ РЕГУЛИРОВОЧНОГО ВИНТА
В приведенной ниже таблице диапазонов давления показаны предпочтительные диапазоны настройки клапанов удержания нагрузки. Однако все обозначенные в ней клапаны могут быть отрегулированы на давление 14 бар или ниже, а в столбце «Давление на один оборот, прибл.» показаны значения давления, начиная с предпочтительного минимального давления настройки, актуальные до достижения максимального давления, которое, в большинстве случаев, будет превышать предпочтительное максимальное значение, указанное отдельно для каждого клапана. Поэтому значения в описанном выше столбце следует рассматривать как «номинальные», при этом они могут различаться для разных клапанов.

Скачать эту статью в pdf по ссылке.