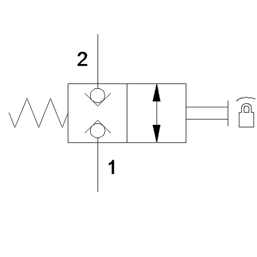
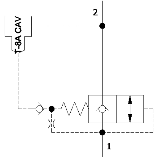
Двухлинейные гидроклапаны Sun Hydraulics
| Схема и описание | |||
|---|---|---|---|
| Код | Пропускная способность | Посадочное гнездо | |
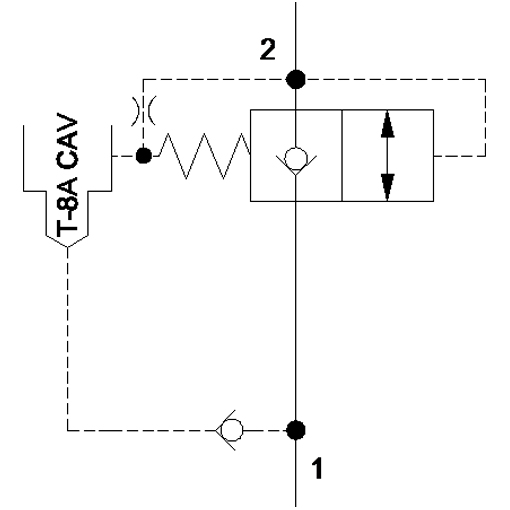
| Двухлинейный клапан гидравлический (гидроклапан) с электроуправлением, двухпозиционный (Digital Logic Valve), небольшой производительности (пилотный клапан), Sun Hydraulics | DLVB | 1 л/мин | T-8A |
| Двухлинейный клапан гидравлический (гидроклапан) с электроуправлением, двухпозиционный, Sun Hydraulics | DLDA | 45 л/мин | T-13A |
| Двухлинейный клапан гидравлический (гидроклапан) с электроуправлением, двухпозиционный (макс. рабочее давление 250 бар), Sun Hydraulics | DLDB | 45 л/мин | T-13A |
| Двухлинейный клапан гидравлический (гидроклапан) с электроуправлением, двухпозиционный, прямого действия, Sun Hydraulics | DTDA | 40 л/мин | T-13A |
| Двухлинейный клапан гидравлический (гидроклапан) с электроуправлением, двухпозиционный (макс. рабочее давление 250 бар), Sun Hydraulics | DTDB | 30 л/мин | T-13A |
| Двухлинейный клапан гидравлический (гидроклапан) с электроуправлением, двухпозиционный, прямого действия, с перекрытием, Sun Hydraulics | DTCA | 23 л/мин | T-13A |
| Двухлинейный клапан гидравлический (гидроклапан) с электроуправлением, двухпозиционный, направляющее регулирование (1) - (2), Sun Hydraulics | DFCA | 60 л/мин | T-13A |
| DFDA | 120 л/мин | T-5A | |
| DFEA | 240 л/мин | T-16A | |
| DFFA | 480 л/мин | T-18A | |
| Двухлинейный клапан гидравлический (гидроклапан) с электроуправлением, двухпозиционный, направляющее регулирование (2) — (1), Sun Hydraulics | DFCB | 60 л/мин | T-13A |
| DFDB | 120 л/мин | T-5A | |
| DFEB | 240 л/мин | T-16A | |
| DFFB | 480 л/мин | T-18A | |
| Двухлинейный клапан гидравлический (гидроклапан) с электроуправлением, двухпозиционный, Sun Hydraulics | DACC | 60 л/мин | T-13A |
| Двухлинейный клапан гидравлический (гидроклапан) с электроуправлением, двухпозиционный, небольшой производительности (пилотный клапан), Sun Hydraulics | DAAL | 1 л/мин | T-8A |
| Двухлинейный клапан гидравлический (гидроклапан) с электроуправлением, двухпозиционный, небольшой производительности (пилотный клапан), Sun Hydraulics | DAAA | 1 л/мин | T-8A |
| Двухлинейный клапан гидравлический (гидроклапан) с электроуправлением, двухпозиционный, с датчиком положения золотника, Sun Hydraulics | DLDAZ | 45 л/мин | T-13A |
| Двухлинейный клапан гидравлический (гидроклапан) с электроуправлением, двухпозиционный, с датчиком положения золотника, прямого действия, с перекрытием, Sun Hydraulics | DTCAZ | 23 л/мин | T-13A |
| Двухлинейный клапан гидравлический (гидроклапан) с электроуправлением, двухпозиционный, мягкое переключение, Sun Hydraulics | DLDAS | 30 л/мин | T-13A |
| Двухлинейный клапан гидравлический (гидроклапан) с электроуправлением, двухпозиционный, прямого действия, мягкое переключение, Sun Hydraulics | DTDAS | 15 л/мин | T-13A |
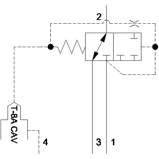
| Двухлинейный клапан гидравлический (гидроклапан) с электроуправлением, двухпозиционный, мягкое переключение, небольшой производительности (пилотный клапан), Sun Hydraulics | DAALS | 1 л/мин | T-8A |
| Двухлинейный клапан гидравлический (гидроклапан) с электроуправлением, двухпозиционный, с обратным клапаном, Sun Hydraulics | HDDA | 40 л/мин | T-11A |
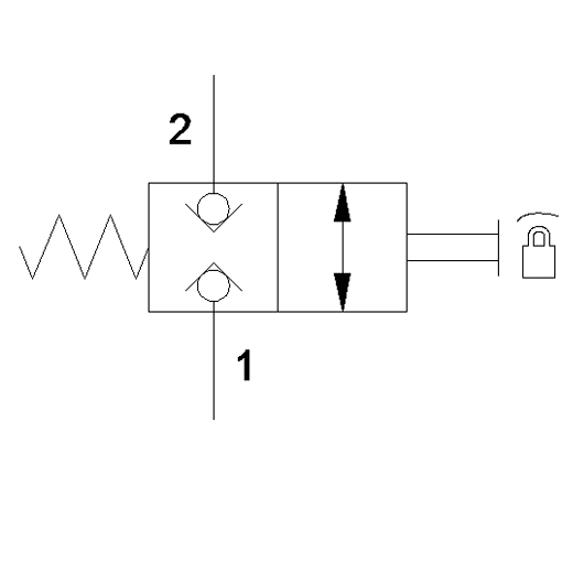
| Двухлинейный клапан гидравлический (гидроклапан) с ручным управлением, двухпозиционный, Sun Hydraulics | DTDM | 40 л/мин | T-13A |
| Двухлинейный клапан гидравлический (гидроклапан) с ручным управлением, двухпозиционный, с перекрытием, Sun Hydraulics | DTCM | 23 л/мин | T-13A |
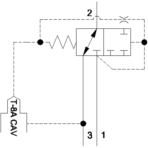
| Двухлинейный клапан гидравлический (гидроклапан) с гидроуправлением, двухпозиционный, небольшой производительности (пилотный клапан), Sun Hydraulics | DAAH | 1 л/мин | T-8A |
| Двухлинейный клапан гидравлический (гидроклапан) с ручным управлением, двухпозиционный, Sun Hydraulics | DLDM | 45 л/мин | T-13A |
| Двухлинейный клапан гидравлический (гидроклапан) с пневмоуправлением, двухпозиционный, небольшой производительности (пилотный клапан), Sun Hydraulics | DAAP | 1 л/мин | T-8A |
| Двухлинейный клапан гидравлический (гидроклапан), двухпозиционный, с гнездом для подключения пилотного клапана, Sun Hydraulics | DFCA8 | 60 л/мин | T-13A |
| DFDA8 | 120 л/мин | T-5A | |
| DFEA8 | 240 л/мин | T-16A | |
| DFFA8 | 480 л/мин | T-18A | |
| Двухлинейный клапан гидравлический (гидроклапан) с ручным управлением, двухпозиционный, небольшой производительности (пилотный клапан), Sun Hydraulics | DAAM | 1 л/мин | T-8A |
| Двухлинейный клапан гидравлический (гидроклапан), двухпозиционный, с гнездом для подключения пилотного клапана, Sun Hydraulics | DFCB8 | 60 л/мин | T-13A |
| DFDB8 | 120 л/мин | T-5A | |
| DFEB8 | 240 л/мин | T-16A | |
| Двухлинейный клапан гидравлический (гидроклапан), двухпозиционный, с пилотным управлением, с внутренним дренажом, Sun Hydraulics | DPBA | 28 л/мин | T-11A |
| DPCA | 60 л/мин | T-2A | |
| Двухлинейный клапан гидравлический (гидроклапан), двухпозиционный, прямого действия, с внутренним дренажом, Sun Hydraulics | DRBA | 28 л/мин | T-11A |
| Двухлинейный клапан гидравлический (гидроклапан), двухпозиционный, с внутренним дренажом, с гнездом для подключения пилотного клапана, Sun Hydraulics | DVBA | 28 л/мин | T-11A |
| DVCA | 60 л/мин | T-2A | |
| Двухлинейный клапан гидравлический (гидроклапан), двухпозиционный, с пилотным управлением, с внутренним дренажом, Sun Hydraulics | DPBB | 28 л/мин | T-11A |
| DPCB | 60 л/мин | T-2A | |
| Двухлинейный клапан гидравлический (гидроклапан), двухпозиционный, прямого действия, с внутренним дренажом, Sun Hydraulics | DRBB | 28 л/мин | T-11A |
| Двухлинейный клапан гидравлический (гидроклапан), двухпозиционный, с внутренним дренажом, с гнездом для подключения пилотного клапана, Sun Hydraulics | DVBB | 28 л/мин | T-11A |
| DVCB | 60 л/мин | T-2A | |
| Двухлинейный клапан гидравлический (гидроклапан), двухпозиционный, с пилотным управлением, с внутренним дренажом, Sun Hydraulics | DPBM | 28 л/мин | T-21A |
| DPCM | 60 л/мин | T-22A | |
| Двухлинейный клапан гидравлический (гидроклапан), двухпозиционный, прямого действия, с внутренним дренажом, Sun Hydraulics | DRBM | 28 л/мин | T-21A |
| Двухлинейный клапан гидравлический (гидроклапан), двухпозиционный, с внутренним дренажом, с гнездом для подключения пилотного клапана, Sun Hydraulics | DVBM | 28 л/мин | T-21A |
| DVCM | 60 л/мин | T-22A | |
| Двухлинейный клапан гидравлический (гидроклапан), двухпозиционный, прямого действия, с внутренним дренажом, с фиксированной настройкой, Sun Hydraulics | DRBMX | 28 л/мин | T-21A |
| Двухлинейный клапан гидравлический (гидроклапан), двухпозиционный, с пилотным управлением, с внутренним дренажом, Sun Hydraulics | DRAY | 2 л/мин | T-21A |
| Двухлинейный клапан гидравлический (гидроклапан), двухпозиционный, с пилотным управлением, с внутренним дренажом, Sun Hydraulics | DPBN | 28 л/мин | T-21A |
| DPCN | 60 л/мин | T-22A | |
| Двухлинейный клапан гидравлический (гидроклапан), двухпозиционный, с внутренним дренажом, с гнездом для подключения пилотного клапана, Sun Hydraulics | DVBN | 28 л/мин | T-21A |
| DVCN | 60 л/мин | T-22A | |
| Двухлинейный клапан гидравлический (гидроклапан), двухпозиционный, прямого действия, с внутренним дренажом, с фиксированной настройкой, Sun Hydraulics | DRBNX | 28 л/мин | T-21A |
| Двухлинейный клапан гидравлический (гидроклапан), двухпозиционный, с пилотным управлением, с внутренним дренажом, Sun Hydraulics | DRAX | 2 л/мин | T-21A |