Диверторы гидравлические Sun Hydraulics
| Схема и описание | |||
|---|---|---|---|
| Код | Пропускная способность | Посадочное гнездо | |
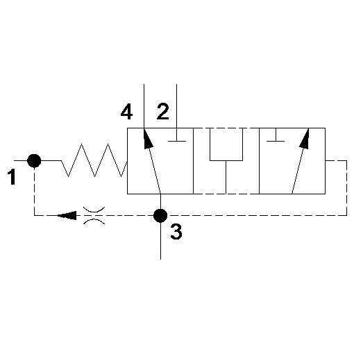
| Трехходовой двухпозиционный дивертор гидравлический, нормально открытый, Sun Hydraulics | DSCY | 60 л/мин | T-31A |
| DSEY | 120 л/мин | T-32A | |
| DSGY | 240 л/мин | T-33A | |
| DSIY | 480 л/мин | T-34A | |
| Трехходовой двухпозиционный дивертор гидравлический, нормально закрытый, Sun Hydraulics | DSCX | 60 л/мин | T-31A |
| DSEX | 120 л/мин | T-32A | |
| DSGX | 240 л/мин | T-33A | |
| DSIX | 480 л/мин | T-34A |