Гидроклапаны контроля нагрузки серии М Sun Hydraulics
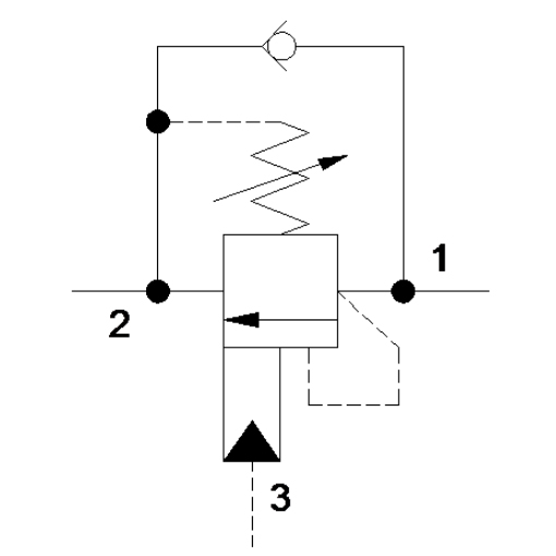
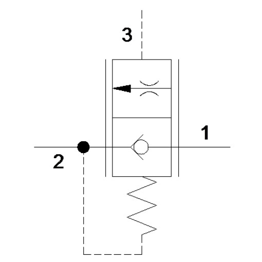
Гидроклапаны управления нагрузкой Sun Hydraulics серии M имеют улучшенные характеристики дросселирования потока. Функционально они являются уравновешивающими клапанами, устанавливаемыми аналогично тарельчатым клапанам, при этом дросселирование осуществляется по принципу золотниковых клапанов. Таким образом, в серии M сочетаются лучшие характеристики клапанов двух указанных типов. Встроенный демпфер обеспечивает плавное открытие гидравлического клапана, допуская его быстрое закрытие. Описанные характеристики позволяют добиться точного управления нагрузкой, а также обеспечить демпфирование гидропривода. Данные клапаны выпускаются в четырехлинейном исполнении с блокировкой открытия (серия MW**).
| Схема и описание | |||
|---|---|---|---|
| Код | Пропускная способность | Посадочное гнездо | |
| Клапан гидравлический (гидроклапан) управления нагрузкой, Sun Hydraulics | MBEM | 120 л/мин | T-2A |
| MBGM | 240 л/мин | T-17A | |
| MBIM | 480 л/мин | T-19A | |
| Клапан гидравлический (гидроклапан) управления нагрузкой, вентилируемый, Sun Hydraulics | MWEM | 120 л/мин | T-22A |
| MWGM | 240 л/мин | T-23A | |
| MWIM | 480 л/мин | T-24A | |
| Клапан гидравлический (гидроклапан) управления реактивной нагрузкой, пилотное соотношение 1.5:1, Sun Hydraulics | MBDB | 60 л/мин | T-11A |
| MBEB | 120 л/мин | T-2A | |
| MBGB | 240 л/мин | T-17A | |
| MBIB | 480 л/мин | T-19A | |
| Клапан гидравлический (гидроклапан) управления реактивной нагрузкой, пилотное соотношение 3:1, Sun Hydraulics | MBDA | 60 л/мин | T-11A |
| MBEA | 120 л/мин | T-2A | |
| MBGA | 240 л/мин | T-17A | |
| MBIA | 480 л/мин | T-19A | |
| Клапан гидравлический (гидроклапан) управления реактивной нагрузкой, пилотное соотношение 4.5:1, Sun Hydraulics | MBDG | 60 л/мин | T-11A |
| MBEG | 120 л/мин | T-2A | |
| MBGG | 240 л/мин | T-17A | |
| MBIG | 480 л/мин | T-19A | |
| Клапан гидравлический (гидроклапан) управления реактивной нагрузкой с фиксированной настройкой, пилотное соотношение 1.5:1, Sun Hydraulics | MBEBX | 120 л/мин | T-2A |
| MBGBX | 240 л/мин | T-17A | |
| MBIBX | 480 л/мин | T-19A | |
| Клапан гидравлический (гидроклапан) управления реактивной нагрузкой с фиксированной настройкой, пилотное соотношение 3:1, Sun Hydraulics | MBEAX | 120 л/мин | T-2A |
| MBGAX | 240 л/мин | T-17A | |
| MBIAX | 480 л/мин | T-19A | |
| Клапан гидравлический (гидроклапан) управления реактивной нагрузкой с фиксированной настройкой, пилотное соотношение 4.5:1, Sun Hydraulics | MBEGX | 120 л/мин | T-2A |
| MBGGX | 240 л/мин | T-17A | |
| MBIGX | 480 л/мин | T-19A | |
| Клапан гидравлический (гидроклапан) управления реактивной нагрузкой с четырьмя портами, пилотное соотношение 1.5:1, Sun Hydraulics | MWEB | 120 л/мин | T-22A |
| MWGB | 240 л/мин | T-23A | |
| Клапан гидравлический (гидроклапан) управления реактивной нагрузкой с четырьмя портами, пилотное соотношение 3:1, Sun Hydraulics | MWEA | 120 л/мин | T-22A |
| MWGA | 240 л/мин | T-23A | |
| Клапан гидравлический (гидроклапан) управления реактивной нагрузкой с четырьмя портами, пилотное соотношение 3:1, Sun Hydraulics | MWIA | 480 л/мин | T-24A |
| Клапан гидравлический (гидроклапан) управления реактивной нагрузкой с четырьмя портами, пилотное соотношение 4.5:1, Sun Hydraulics | MWEG | 120 л/мин | T-22A |
| MWGG | 240 л/мин | T-23A | |
| Клапан гидравлический (гидроклапан) управления реактивной нагрузкой с четырьмя портами, пилотное соотношение 4.5:1, Sun Hydraulics | MWIG | 480 л/мин | T-24A |
| Клапан гидравлический (гидроклапан) управления реактивной нагрузкой с фиксированной настройкой, с четырьмя портами, пилотное соотношение 1.5:1, Sun Hydraulics | MWEBX | 120 л/мин | T-22A |
| MWGBX | 240 л/мин | T-23A | |
| Клапан гидравлический (гидроклапан) управления реактивной нагрузкой с фиксированной настройкой, с четырьмя портами, пилотное соотношение 1.5:1, Sun Hydraulics | MWIBX | 480 л/мин | T-24A |
| Клапан гидравлический (гидроклапан) управления реактивной нагрузкой с фиксированной настройкой, с четырьмя портами, пилотное соотношение 3:1, Sun Hydraulics | MWEAX | 120 л/мин | T-22A |
| MWGAX | 240 л/мин | T-23A | |
| Клапан гидравлический (гидроклапан) управления реактивной нагрузкой с фиксированной настройкой, с четырьмя портами, пилотное соотношение 3:1, Sun Hydraulics | MWIAX | 480 л/мин | T-24A |
| Клапан гидравлический (гидроклапан) управления реактивной нагрузкой с фиксированной настройкой, с четырьмя портами, пилотное соотношение 4.5:1, Sun Hydraulics | MWEGX | 120 л/мин | T-22A |
| MWGGX | 240 л/мин | T-23A | |
| Клапан гидравлический (гидроклапан) управления реактивной нагрузкой с фиксированной настройкой, с четырьмя портами, пилотное соотношение 4.5:1, Sun Hydraulics | MWIGX | 480 л/мин | T-24A |
| Клапан гидравлический (гидроклапан) управления реактивной нагрузкой с четырьмя портами, пилотное соотношение 1.5:1, Sun Hydraulics | MWIB | 480 л/мин | T-24A |
| Клапан гидравлический (гидроклапан) управления реактивной нагрузкой, пилотное соотношение 8:1, Sun Hydraulics | MBDN | 60 л/мин | T-11A |