Дроссели и регуляторы расхода (с компенсацией по давлению) гидравлические серии FLeX Sun Hydraulics
В гидравлических клапанах ввертного типа серии FLeX применена плавающая конструкция, разработанная компанией Sun Hydraulics, которая позволяет минимизировать риск заклинивания внутренних элементов клапана, обусловленный превышением момента затяжки при установке и/или повышенного отклонения от номинальных размеров при механической обработке седла/клапана.

- Пропорциональные клапаны FLeX полностью совместимы с мобильными драйверами XMD от компании Sun Hydraulics.
- Клапаны рассчитаны и испытаны на 10 млн рабочих циклов.
- Соответствие стандарту на проведение испытаний NFPA T2.6.1 R2014 по характеристикам усталостной прочности и разрушающего давления.
- Улучшенная линейность характеристик и разрешение по сравнению с другими гидравлическими клапанами аналогичного назначения.
- Гидроклапаны разработаны с применением ПО для гидродинамического моделирования, что позволило оптимизировать геометрию проточной части.
- Для достижения оптимальных характеристик пропорционального управления следует использовать усилитель с обратной связью по току и регулируемой вибрацией (80...250 Гц).
- Номинальный расход достигается при перепаде давления 14 бар и максимальном номинальном токе в катушке.
| Схема и описание | |||
|---|---|---|---|
| Код | Пропускная способность | Посадочное гнездо | |
| Трехлинейный регулятор расхода с пропорциональным электромагнитным управлением. Картриджный гидравлический клапан (гидроклапан) ввертного типа, FLeX серия, Sun Hydraulics.
Гидроклапаны Sun Hydraulics с электро-пропорциональным управлением совместимы с новыми мобильными драйверами серии XMD. Электрогидравлические драйверы (электронные усилители ШИМ) XMD с Bluetooth и CAN-шиной обеспечивают высокоточную регулировку, необходимую для ответственных электрогидравлических систем.
| FREP | 120 л/мин | T-17A |
|
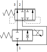
FLeX Серия, дроссель с пропорциональным электроуправлением (с пилотным управлением), с обратным клапаном, нормально открытый, Sun Hydraulics
Гидроклапаны Sun Hydraulics с электро-пропорциональным управлением совместимы с новыми мобильными драйверами серии XMD. Электрогидравлические драйверы (электронные усилители ШИМ) XMD с Bluetooth и CAN-шиной обеспечивают высокоточную регулировку, необходимую для ответственных электрогидравлических систем.
| FPBI | 20 л/мин | T-162A |
| FLeX Серия, дроссель с пропорциональным электроуправлением (с пилотным управлением), с обратным клапаном, нормально закрытый, Sun Hydraulics
Гидроклапаны Sun Hydraulics с электро-пропорциональным управлением совместимы с новыми мобильными драйверами серии XMD. Электрогидравлические драйверы (электронные усилители ШИМ) XMD с Bluetooth и CAN-шиной обеспечивают высокоточную регулировку, необходимую для ответственных электрогидравлических систем.
| FPBF | 20 л/мин | T-162A |
| FLeX Серия, дроссель с пропорциональным электроуправлением (с пилотным управлением), с обратным клапаном, нормально открытый, макс. рабочее давление 210 бар, Sun Hydraulics
Гидроклапаны Sun Hydraulics с электро-пропорциональным управлением совместимы с новыми мобильными драйверами серии XMD. Электрогидравлические драйверы (электронные усилители ШИМ) XMD с Bluetooth и CAN-шиной обеспечивают высокоточную регулировку, необходимую для ответственных электрогидравлических систем.
| FPBM | 20 л/мин | T-162A |
| FLeX Серия, дроссель с пропорциональным электроуправлением (с пилотным управлением), с обратным клапаном, нормально закрытый, макс. рабочее давление 210 бар, Sun Hydraulics
Гидроклапаны Sun Hydraulics с электро-пропорциональным управлением совместимы с новыми мобильными драйверами серии XMD. Электрогидравлические драйверы (электронные усилители ШИМ) XMD с Bluetooth и CAN-шиной обеспечивают высокоточную регулировку, необходимую для ответственных электрогидравлических систем.
| FPBD | 20 л/мин | T-162A |
| FLeX Серия, дроссель с пропорциональным электроуправлением (с пилотным управлением), с обратным клапаном, нормально открытый, Sun Hydraulics
Гидроклапаны Sun Hydraulics с электро-пропорциональным управлением совместимы с новыми мобильными драйверами серии XMD. Электрогидравлические драйверы (электронные усилители ШИМ) XMD с Bluetooth и CAN-шиной обеспечивают высокоточную регулировку, необходимую для ответственных электрогидравлических систем.
| FPBJ | 20 л/мин | T-162A |
| FLeX Серия, дроссель с пропорциональным электроуправлением (с пилотным управлением), с обратным клапаном, нормально закрытый, Sun Hydraulics
Гидроклапаны Sun Hydraulics с электро-пропорциональным управлением совместимы с новыми мобильными драйверами серии XMD. Электрогидравлические драйверы (электронные усилители ШИМ) XMD с Bluetooth и CAN-шиной обеспечивают высокоточную регулировку, необходимую для ответственных электрогидравлических систем.
| FPBG | 20 л/мин | T-162A |
| FLeX Серия, дроссель с пропорциональным электроуправлением (с пилотным управлением), с обратным клапаном, нормально открытый, макс. рабочее давление 210 бар, Sun Hydraulics
Гидроклапаны Sun Hydraulics с электро-пропорциональным управлением совместимы с новыми мобильными драйверами серии XMD. Электрогидравлические драйверы (электронные усилители ШИМ) XMD с Bluetooth и CAN-шиной обеспечивают высокоточную регулировку, необходимую для ответственных электрогидравлических систем.
| FPBN | 20 л/мин | T-162A |
| FLeX Серия, дроссель с пропорциональным электроуправлением (с пилотным управлением), с обратным клапаном, нормально закрытый, макс. рабочее давление 210 бар, Sun Hydraulics
Гидроклапаны Sun Hydraulics с электро-пропорциональным управлением совместимы с новыми мобильными драйверами серии XMD. Электрогидравлические драйверы (электронные усилители ШИМ) XMD с Bluetooth и CAN-шиной обеспечивают высокоточную регулировку, необходимую для ответственных электрогидравлических систем.
| FPBE | 20 л/мин | T-162A |
| FLeX Серия, дроссель с пропорциональным электроуправлением (прямого действия), с клапаном тарельчатого типа для блокировки потока, нормально закрытый, Sun Hydraulics
Гидроклапаны Sun Hydraulics с электро-пропорциональным управлением совместимы с новыми мобильными драйверами серии XMD. Электрогидравлические драйверы (электронные усилители ШИМ) XMD с Bluetooth и CAN-шиной обеспечивают высокоточную регулировку, необходимую для ответственных электрогидравлических систем.
| FPBU | 9,8 л/мин | T-162A |